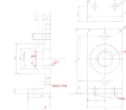
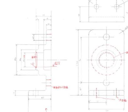
今日は製図の練習で組立図から部品を抜き出して三面図にしました。実際に作成した図面をチェックしてみると、寸法の記入漏れや点線と実線の使い分けなど、修正・訂正が必要なことが多く見つかりました。今回は研修中ということもあり、少しのミスは許容されましたが、実際の現場での製図では、一つの記入ミスが間違った部品を作ってしまったりすることになり全体に大きな遅れを及ぼします。わからなかった箇所についてはきちんと調べ意味や用途を理解してから製図に取り組み、ミスを減らしていけるように練習していきたいと思います。
U.R(機械設計系研修生)
