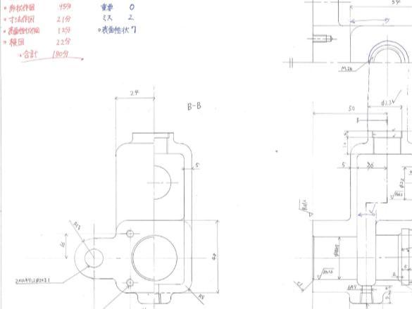
今回は、多くの部品から構成される装置の組立図から、本体の部品だけを抜き出して部品図として製図する作業を行いました。図面を描いたあとにチェックしてみると、必要な寸法や表面性状記号が抜け落ちていたり、正確に描けていなかったりして、多くのミスがありました。この穴はどの部品と関係するのか、なぜこの寸法はこの線を基準として表記されているのかといった、部品の役割や他部品とのつながりをきちんと考えるようにすることで、もっと製図の精度を上げ、ミスを減らせると考えました。図面の装置がどのような動作をし役割を果たすのかなど理解できるよう機械知識を増やし、ミスのない図面を描けるよう努力を重ねていこうと思います。
N.H(機械系研修生)
